专业的过滤设备过滤器生产厂家

一滤服务热线

0373-5037888

138 4939 8808

篮式过滤器

电话: 0373-5037888 / 5285580 / 2028808 / 5283581
传真: 0373-2068808 / 0373-5283580
微信: 13849398808 / 13503737102
QQ: 860373888 / 956683681
邮箱: 860373888@qq.com
商铺: xxlvqi.1688.com
产品详情

篮式过滤器

一、产品概述:

该过滤器是工业生产中不可缺少的管道附件,安装在管道上能滤除流体中的固体杂质,保证管线设备系统正常地运行,可使流体更加纯净,获得理想的工业产品;使用一段时间后打开上盖取出象提蓝子式的过滤网,一经洗刷即可以恢复如新。因此,在石油、化工、制药、食品等行业中得到了广泛的应用,深受用户的青睐。

二、主要零件材料:


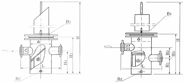
三、 外形尺寸:

1、直通篮式过滤器外形尺寸mm

2、高低篮式过滤器外形尺寸mm



DM_20240302182338_006.jpg

扫描添加壹滤好友